
- ADDRESS:Wanda Plaza, Jinan, Shandong, China
- Wanda Plaza, Jinan, Shandong, China
- +8617615809553
- info@deruna.com


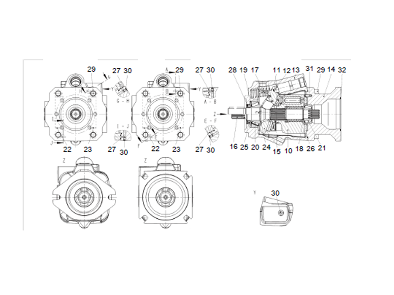
| 804001741 COOLING PUMP | ||
| 316102121 OIL DISPERSION PUMP ASSEMBLY | ||
| No. | PART NUMBER | NAME |
| 1 | 860169406 | R902551225 PUMP |
| 2 | 804008490 | PUMP REGULATOR |
| 3 | 860169380 | R902462478 CONTROL PISTON ASSEMBLY |
| 4 | 860169404 | R983075420 GEAR PUMP |
| 5 | 860169387 | R910943545 COUPLING |
| 6 | 860202777 | LOCK BOLT |
| 7 | 860169188 | R90242703 LIMIT SCREW |
| 8 | 860203560 | O-RING |
| 9 | 860169408 | R910109606 LOCK BOLT |
| 10 | 860518731 | PLUNGER CYLINDER BLOCK |
| 11 | 860203205 | SPRING |
| 12 | 860203206 | LIMITER |
| 13 | 860169405 | R902454573 HOUSING |
| 14 | 860518732 | REAR CONNECTING PLATE |
| 15 | 860518730 | SWASH PLATE |
| 16 | 860169411 | R910994407 DRIVE SHAFT |
| 17 | 860518736 | COMPENSATING SPRING |
| 18 | 860203037 | ADJUSTABLE PAD |
| 19 | 860203567 | STOP RING |
| 20 | 860508848 | BEARING |
| 21 | 860203040 | TAPERED ROLLER BEARING |
| 22 | 860204543 | BEARING LINING |
| 23 | 860204544 | BEARING LINING |
| 24 | 860202969 | BOLT |
| 25 | 860200009 | R909831661 SHAFT SEAL |
| 26 | 860204545 | O-RING |
| 27 | 860203220 | SEAL RING |
| 28 | 860203042 | ELASTIC COLLAR |
| 29 | 860203568 | SCREW |
| 30 | 860202778 | PLUG |
| 31 | 860203045 | CYLINDRICAL PIN |
| 32 | 860508851 | ORING |
| 33 | 860169169 | DRIVE DEVICE |
| 34 | 860169407 | R902451806 VALVE PLATE |
| 35 | 860202131 | PLUNGER ASSEMBLY (A10VO63) |
| 36 | 860169155 | CYLINDER BODY |
| 37 | 860169137 | SET PLATE |
| 38 | 860169133 | SPHERICAL HINGE |
| 39 | 860169163 | SPRING |
| 40 | 860203055 | PIN |
| 41 | 860169185 | SPRING COLLAR |
| 42 | 860169186 | SPRING WASHER |
| 43 | 860169179 | REGULATOR |
| 44 | 860169153 | SEAL RING |
| 45 | 860202782 | SCREW |
| 46 | 860169115 | VALVE |
| 47 | 860169117 | SPOOL |
| 48 | 860169121 | ADJUSTING SCREW |
| 49 | 860169175 | PISTON |
| 50 | 860169132 | SPRING SEAT |
| 51 | 860169174 | SPRING SEAT |
| 52 | 860169131 | ADJUSTING ELEMENT |
| 53 | 860169187 | SPRING SEAT |
| 54 | 860169166 | SPRING |
| 55 | 860203011 | SPRING |
| 56 | 860169183 | THROTTLE SCREW PLUG |
| 57 | 860169165 | SCREW PLUG |
| 58 | 860169243 | BARREL |
| 59 | 860169118 | O-SHAPED SEALING RING |
| 60 | 860203016 | SEAL RING |
| 61 | 860203017 | NUT |
| 62 | 860169158 | O-SHAPED SEALING RING |
| 63 | 860169116 | O-SHAPED SEALING RING |
| 64 | 860203020 | HOLD WASHER |
| 65 | 860203021 | HOLD WASHER |
| 66 | 860169182 | BARREL |
| 67 | 860169159 | PROPORTIONAL VALVE |
| 68 | 860169129 | SCREW PLUG |
| 69 | 860169172 | ORIFICE |
| 70 | 860169156 | BARREL |
| 71 | 860169184 | ADJUSTING SCREW |
| 72 | 860203027 | NUT |
| 73 | 860203028 | HOLD WASHER |
| 74 | 860169171 | O-SHAPED SEALING RING |
| 75 | 860203030 | ORING |
| 76 | 860204552 | CONTROLLED PISTON |
| 77 | 860169409 | R902462471 LOCK BOLT |
| 78 | 860203237 | ORING |
| 804001740 COOLING PUMP | ||
| 316102030 WATER DISPERSION PUMP ASSEMBLY | ||
| No. | PART NUMBER | NAME |
| 1 | 860169180 | ROTARY ELEMENT |
| 2 | 860203205 | SPRING |
| 3 | 860203206 | LIMITER |
| 4 | 860169135 | HOUSING |
| 5 | 860203563 | VALVE PLATE |
| 6 | 860169161 | SWASH PLATE |
| 7 | 860169120 | DRIVE SHAFT |
| 8 | 860518736 | COMPENSATING SPRING |
| 9 | 860203037 | ADJUSTABLE PAD |
| 10 | 860203567 | STOP RING |
| 11 | 860508848 | BEARING |
| 12 | 860203040 | TAPERED ROLLER BEARING |
| 13 | 860204543 | BEARING LINING |
| 14 | 860204544 | BEARING LINING |
| 15 | 860202969 | BOLT |
| 16 | 860200009 | R909831661 SHAFT SEAL |
| 17 | 860204545 | O-RING |
| 18 | 860203220 | SEAL RING |
| 19 | 860203042 | ELASTIC COLLAR |
| 20 | 860203568 | SCREW |
| 21 | 860202778 | PLUG |
| 22 | 860203045 | CYLINDRICAL PIN |
| 23 | 860169168 | CUSHION |
| 24 | 860169157 | SCREW |
| 25 | 860169150 | PIN |
| 25 | 803444181 | HOSE ASS’Y |
| 26 | 860169169 | DRIVE DEVICE |
| 27 | 860202132 | VALVE PLATE |
| 28 | 860202131 | PLUNGER ASSEMBLY (A10VO63) |
| 29 | 860169155 | CYLINDER BODY |
| 30 | 860169137 | SET PLATE |
| 31 | 860169133 | SPHERICAL HINGE |
| 32 | 860169163 | SPRING |
| 33 | 860203055 | PIN |
| 34 | 860169185 | SPRING COLLAR |
| 35 | 860169186 | SPRING WASHER |
| 36 | 860169179 | REGULATOR |
| 37 | 860169153 | SEAL RING |
| 38 | 860202782 | SCREW |
| 39 | 860169115 | VALVE |
| 40 | 860169117 | SPOOL |
| 41 | 860169121 | ADJUSTING SCREW |
| 42 | 860169175 | PISTON |
| 43 | 860169132 | SPRING SEAT |
| 44 | 860169174 | SPRING SEAT |
| 45 | 860169131 | ADJUSTING ELEMENT |
| 46 | 860169187 | SPRING SEAT |
| 47 | 860169166 | SPRING |
| 48 | 860203011 | SPRING |
| 49 | 860169183 | THROTTLE SCREW PLUG |
| 50 | 860169165 | SCREW PLUG |
| 51 | 860169243 | BARREL |
| 52 | 860169118 | O-SHAPED SEALING RING |
| 53 | 860203016 | SEAL RING |
| 54 | 860203017 | NUT |
| 55 | 860169158 | O-SHAPED SEALING RING |
| 56 | 860169116 | O-SHAPED SEALING RING |
| 57 | 860203020 | HOLD WASHER |
| 58 | 860203021 | HOLD WASHER |
| 59 | 860169182 | BARREL |
| 60 | 860169159 | PROPORTIONAL VALVE |
| 61 | 860169129 | SCREW PLUG |
| 62 | 860169172 | ORIFICE |
| 63 | 860169156 | BARREL |
| 64 | 860169184 | ADJUSTING SCREW |
| 65 | 860203027 | NUT |
| 66 | 860203028 | HOLD WASHER |
| 67 | 860169171 | O-SHAPED SEALING RING |
| 68 | 860203030 | ORING |
| 69 | 860204552 | CONTROLLED PISTON |
| 70 | 860169181 | SCREW PLUG |
| 71 | 860203237 | ORING |
We provide professional wearing/maintenance parts lists within 24 hours based on vehicle details, ensuring accurate delivery and rational inventory. For Benz, Volvo, Scania, MAN, DAF, Iveco, Kamaz distributors, our 10-year experience delivers hot-selling parts lists per budget/market info to kickstart business and quick profits. We also help stock based on your business, repair focus, capabilities, budget and warehouse size for instant customer service, recommend hot-sellers per local market, suggest display types/quantities, and collaborate for fast capital return, strong client ties and mutual growth.
If you have any questions about our products, services, or anything related to what we offer, please don’t hesitate to leave us a message—our dedicated team is always ready to provide prompt and helpful responses to address your concerns. What’s more, when you become our valued customer, we’re delighted to offer you complimentary catalog services, giving you access to detailed, up-to-date information on our full range of products, specifications, and offerings to help you make informed decisions.
If you have any problems or questions, please get in touch with us, we will
provide you with the best service.
A PROFESSIONAL CHINA TRUCK AND SPARE PARTS SUPPLIER
@Copyright DERUNA
WhatsApp us
If you have any questions, please feel free to leave us a message. We will respond within 12 hours! Become our customer and we will provide you with catalog services for free.