
- Wanda Plaza, Jinan, Shandong, China
- +8617615809553
- info@deruna.com
- Wanda Plaza, Jinan, Shandong, China
- +8617615809553
- info@deruna.com


 
											 
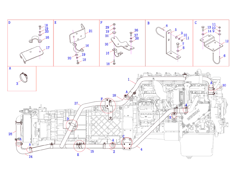
											| Order | Part NO. | Part Name And Standards | Oty | 
| Retarder Cooling System Assembly | 1 | ||
| 1 | 3524514-DY679 | Retarder Steel Pipe Assy | 1 | 
| 2 | 3524024-DY679A | Rubber Pipe | 2 | 
| 3 | CQ67970 | Worm Drive Type Hose Clamp Type | 12 | 
| 4 | 3524513-DY679 | Retarder Water Inner Steel Pipe | 1 | 
| 5 | 3524127-DY699 | Bracket -Retarder Water Outlet Steel Pipe | 1 | 
| 6 | 3524069-D897A | U-Type Bolt | 3 | 
| 7 | CQ1501225T | Hexagon Head Bolt | 2 | 
| 8 | Q40312 | Spring Washer | 2 | 
| 9 | Q40106 | Washer | 8 | 
| 10 | Q40306 | Spring Washer | 8 | 
| 11 | CQ34006 | Hexagon Nut | 8 | 
| 12 | 3524128-DZ700A | Bracket | 1 | 
| 13 | CQ1501425T | Hexagon Head Bolt | 2 | 
| 14 | Q40314 | Spring Washer | 2 | 
| 15 | 3524013-DY899 | Retarder Steel Pipe Assy | 1 | 
| 16 | 3524207-DY699 | Single Pipe Clip | 5 | 
| 17 | 1503050-DY699 | Bracket Assy | 1 | 
| 18 | CQ1500825 | Hexagon Head Bolt | 12 | 
| 19 | Q40308 | Spring Washer | 14 | 
| 20 | Q40108 | Washer | 12 | 
| 21 | 3524660-DY699 | Bracket Assy | 1 | 
| 22 | 3524206-DY699 | Water Pipe Clamp | 1 | 
| 23 | 3524540-DY699 | Bracket Assy | 1 | 
| 24 | 3524027-Q4901 | Rubber Pipe | 1 | 
| 25 | 2941430-66W | Straight End Pipe Joint Assy | 1 | 
| 26 | 3524028-Q4901 | Rubber Pipe | 1 | 
| 27 | 3524023-DY899 | Retarder Water Outlet Steel Pipe | 1 | 
| 28 | 3524024-DY899 | Rubber Pipe | 1 | 
| 29 | CQ34008 | Hexagon Nut | 4 | 
| 30 | 3524024-DZ700 | Rubber Pipe | 1 | 
| 31 | CQ1500814 | Hexagon Head Bolt | 2 | 
| 32 | 3524069-D897D | U-Type Bolt | 1 | 
| 33 | 1503061-DY617R | Bracket | 1 | 
| 34 | 3524125-DY699 | Retarder Backwater Pipe Bracket Assy | 1 | 
| 35 | 1503052-DY699 | Bracket | 1 | 
| 36 | CQ1501630 | Hexagon Head Bolt | 2 | 
| 37 | Q40316 | Spring Washer | 2 | 
| 38 | Q40116 | Washer | 2 | 
| 39 | 3524060-DY699 | Retarder Water Outlet Steel Pipe | 1 | 
If you have any problems or questions, please get in touch with us, we will provide you with the best service.
A PROFESSIONAL CHINA TRUCK AND SPARE PARTS SUPPLIER
@Copyright DERUNA
WhatsApp us
If you have any questions, please feel free to leave us a message. We will respond within 12 hours! Become our customer and we will provide you with catalog services for free.